,,,,,,,,

首頁 閥門百科

電子式電動三通調節閥-航天泵閥

2016-04-27 15:56:00 

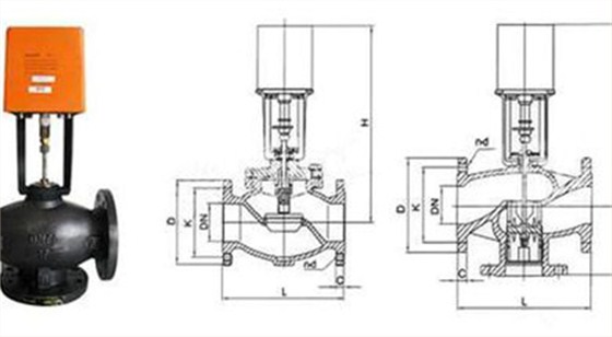
電子式電動三通調節閥、分流調節閥采用圓筒型薄壁窗口形閥芯導向。配用9610L系列電子式直行程電動執行機構,接受O~10或4-20mA DC信號驅動閥門啟閉

電動三通調節閥

公司本著真誠、專業、規范、創新的理念,以科技創新為先導,充分利用產學研究優勢,為客戶提供安全、環保的產品及服務。

航天泵閥

航天泵閥——40年行業經驗沉淀門閥品牌,您身邊的門閥專家!為您提供最優質的產品與最有效的門閥問題解決方案,航天泵閥以“品質和產品”對待每個客戶,為您服務!免費熱線:029-83270070,或點擊在線客服進行咨詢。

網友熱評