,,,,,,,,

全國咨詢熱線:400-1800-803

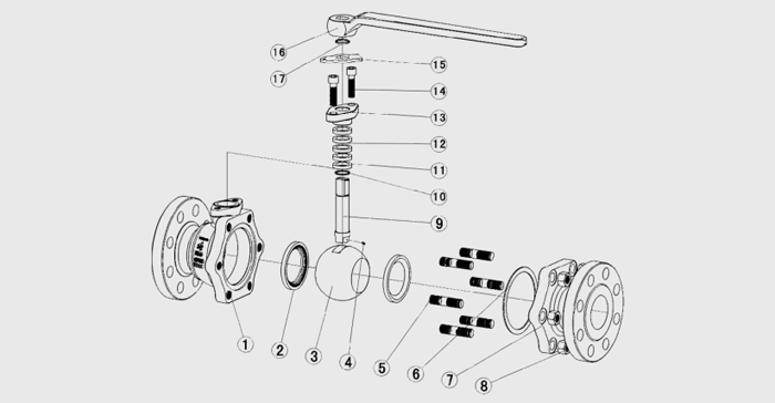
浮動球閥

球體、閥桿、手柄是閥門的運動部件,是一個裝配單元,閥桿頭部采用偏方結構,能從手柄所處位置很容易辨出閥門式處于開啟位置或關閉位置。當手柄或閥桿扁方與管道軸線平行時,閥門處于開啟位置;當手柄或閥桿扁方與管道軸線垂直時,閥門處于關閉位置。
訂購熱線:400-1800-803
立即咨詢

結構特點

1.手動浮動球閥的開、關指示

球體、閥桿、手柄是閥門的運動部件,是一個裝配單元,閥桿頭部采用偏方結構,能從手柄所處位置很容易辨出閥門式處于開啟位置或關閉位置。當手柄或閥桿扁方與管道軸線平行時,閥門處于開啟位置;當手柄或閥桿扁方與管道軸線垂直時,閥門處于關閉位置。

2.閥門鎖定裝置

為防止誤操作閥門,在閥門的全開和全關位置可用鎖鎖定閥門,特別是安裝在野外的閥門或當工藝流程不允許開或關閥門時,為防止其他人員錯誤操作閥門,將閥門位置鎖定是很重要的。因此根據用戶的需要在閥門設計時假裝帶鎖孔定位片可滿足用戶的工藝要求。

3.閥桿防飛出結構

當介質通過閥門時,閥體中腔的壓力可能將閥桿推出(或者在維修閥門時,如果中腔有壓力,拆卸閥門時閥桿、介質容易飛出,誤傷人員)。為防止這種情況發生,在閥桿下部設置一凸臺結構。這樣,即使火災時,填料、止推軸承被燒損或其他原因引起填料等損壞,閥體內的介質壓力將使閥桿凸臺與閥體上密封面緊密接觸,防止介質大量從損壞的填料部位處泄露。

4.防靜電裝置

當操作閥門時,由于球體和聚四氟乙烯等非金屬材料閥座之間的摩擦,會產生靜電電荷并聚積在球體上。為防止產生靜電火花,特在閥門上設置防靜電裝置,將積聚在球體上的電荷通過球體與閥桿、閥桿與閥體之間的靜電通道導出。

5.中部法蘭無外漏結構

閥體與左體的聯接部位是靠墊片密封,為防止由于火災、高溫或震動等因素引起的該處密封泄漏,特設計為閥體與左體金屬-金屬接觸,形成止口法蘭,保證無外漏。

6.防火結構

當發生火災時,填料、閥座等非金屬(非防火材料)將被燒壞,大量泄露的介質可能會更加促使火勢蔓延、擴大,這時閥門的防火結構阻擋介質大量泄露。

7.可靠的閥座密封結構

公司多年來的球閥制造經驗與國際先進技術的結合而設計的雙線密封結構,可自然泄壓閥座,能保證高、低壓和真空狀態下的可靠密封。當介質壓力運行在低壓區時,閥座密封圈與球體接觸面積較小,故有較大的密封比壓,確保閥座可靠密封。當介質壓力運行在較高位時,閥座密封圈與球體的接觸面積增大,故閥座密封圈能承受較大的介質推力而不會損壞。

對于工作壓力很低的球閥,考慮到介質壓力不能確保閥座的可靠密封,而預緊力長期使用后會衰減,故對于低壓、超低壓或真空工況用球閥,采用板簧加載的閥座密封結構,確保球閥長期可靠的密封。

中、高溫球閥的閥座密封結構,采用對位聚苯作為密封圈可用于300℃的溫度,而采用金屬密封耐高溫組合材料結構設計的球閥可用于更高的溫度。這種結構具有單向密封功能。

8.自動泄壓結構

當滯留在閥門中腔的介質由于管道系統壓力或介質溫度等因素引起的變化,從而出現中腔壓力異常升高時,中腔介質能依靠本身的推力推動閥座而自動泄壓,從而確保閥門的安全。

9.全徑和縮徑

我公司球閥有全徑和縮徑兩個系列,以滿足用戶的不同需要。全通徑球閥的通道內經與管線內經一致,流體阻力最小,更便于管道清掃。而縮徑系列球閥的重量只有相同口徑全通徑球閥的70%左右,能有效降低成本和價格,而其流體阻力系數只有相同口徑截止閥的1/7左右,故縮徑球閥在國外得到廣泛的使用。


結構尺寸圖

浮動球閥結構圖

材料明細

浮動球閥主要零部材料

技術性能規范

浮動球閥技術性能規范

供貨范圍

供貨范圍2

偏心半球閥
偏心半球閥
半球閥除正常作為全開全閉使用外,也可作調節和節流使用。但要特別注意介質的流動方向,以免密封面受沖蝕或加劇磨損。(料漿閥和煤粉閥嚴禁作調節用)
全焊接鍛鋼固定球閥
全焊接鍛鋼固定球閥
全焊接鍛鋼球閥不會有外部泄漏等現象,閥座是由碳纖維增強特氟隆密封環及碟形簧構成的,球體的加工精度高。閥體材料跟管道材質一樣,不會出現應力不均,密封環本體采用含量20%Carbon(碳素)的RPTFE材質,保障完全無泄漏(0%)。
供熱專用全焊接球閥
供熱專用全焊接球閥
閥門是由全焊接的閥體和增強四氟密封墊組成,閥門可在有雜質及化學物質的情況下進行頻繁操作,運行可靠;適用于區域供熱(熱電聯產)、輸熱、輸油及除氧水等工業管線。

相關資訊

聯系航天泵閥
咨詢熱線:400-1800-803

座機:029-86033698(轉739)

郵箱:htbfwlyx@163.com

招聘郵箱:

地址:陜西省西安市高陵區涇河工業園渭陽五路799號