,,,,,,,,

全國咨詢熱線:400-1800-803

GB楔式截止閥

GB楔式截止閥廣泛適用于石油化工,火力發電廠等油品、水蒸氣管路上作接通或截斷管路中介質的啟閉裝置。
訂購熱線:400-1800-803
立即咨詢
產品特點

1.驅動裝置根據客戶的要求提供,未指明的情況下,采用手輪驅動。

2.上裝式閥桿螺母使閥門在開啟位置,即使卸下手輪,閥桿閘板不會下落。

3.填料采用柔性石墨材料,密封性能可靠。用戶有要求時可提供填料隔環和注油脂結構。

4.閥門上密封的設計,全開時可保證填料,密封可靠。(不推薦帶壓更換填料)

5.升降式閥桿。閥桿與閘板采用T型槽連接,閥桿T型頭部整體鍛造成型,保證了足夠的連接強度。

材料明細

GB楔式閘閥材料明細

技術性能規范

GB楔式閘閥技術性能規范

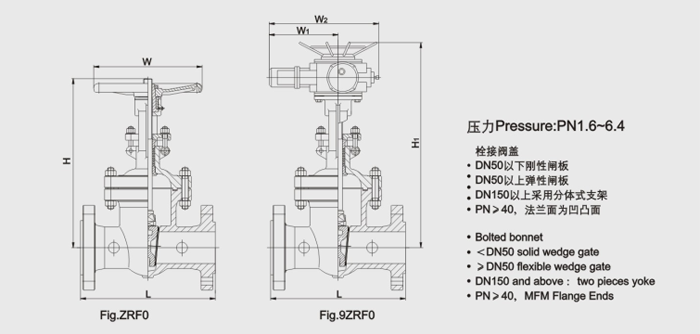
產品結構圖

GB楔式閘閥結構圖

結構圖PN10-20

規格范圍

供貨范圍

參數規格

GB楔式閘閥外形尺寸和重量

PN6.4

PN20

偏心半球閥
偏心半球閥
半球閥除正常作為全開全閉使用外,也可作調節和節流使用。但要特別注意介質的流動方向,以免密封面受沖蝕或加劇磨損。(料漿閥和煤粉閥嚴禁作調節用)
全焊接鍛鋼固定球閥
全焊接鍛鋼固定球閥
全焊接鍛鋼球閥不會有外部泄漏等現象,閥座是由碳纖維增強特氟隆密封環及碟形簧構成的,球體的加工精度高。閥體材料跟管道材質一樣,不會出現應力不均,密封環本體采用含量20%Carbon(碳素)的RPTFE材質,保障完全無泄漏(0%)。
供熱專用全焊接球閥
供熱專用全焊接球閥
閥門是由全焊接的閥體和增強四氟密封墊組成,閥門可在有雜質及化學物質的情況下進行頻繁操作,運行可靠;適用于區域供熱(熱電聯產)、輸熱、輸油及除氧水等工業管線。

相關資訊

聯系航天泵閥
咨詢熱線:400-1800-803

座機:029-86033698(轉739)

郵箱:htbfwlyx@163.com

招聘郵箱:

地址:陜西省西安市高陵區涇河工業園渭陽五路799號