,,,,,,,,

全國咨詢熱線:400-1800-803

疏水調節閥

本疏水調節閥是蒸汽供熱設備及蒸汽管路上的重要配件,也是節能產品。它可以利用多級噴嘴的節流作用,通過降壓使熱凝結水轉變為二次蒸汽,從而使凝結水得到二次利用。此外,該閥還可用于冷水排放、液面控制、最小流量控制等管線系統中。
訂購熱線:400-1800-803
立即咨詢
疏水調節閥用途

本疏水調節閥是蒸汽供熱設備及蒸汽管路上的重要配件,也是節能產品。它可以利用多級噴嘴的節流作用,通過降壓使熱凝結水轉變為二次蒸汽,從而使凝結水得到二次利用。此外,該閥還可用于冷水排放、液面控制、最小流量控制等管線系統中。

疏水調節閥工作原理

該閥開始運行時,首先應調整好該閥工作位置,運行后不需再次凋整,以后的凝結水排量根據介質在噴嘴進口處的狀態利用多級噴嘴的節流作用,由該閥自行調節,介質狀態可以是冷水、熱凝結水、蒸汽或凝結水與蒸汽的混合物。
當介質為冷水時,通過多級噴嘴的節流,排出的仍是冷水,且體積不變。
當介質為蒸汽時,通過多級噴嘴的節流,排出的仍是蒸汽,但由于該閥存在很大的壓力降,蒸汽進入多級噴嘴后,經多次擴張,所以排出蒸汽的體積有明顯膨脹。
當介質為凝結水時,凝結水在多級噴嘴內,經過多次連續擴張,又由于該閥存在的巨大壓力降,從而使部分凝結水轉變為二次蒸汽,該閥排出凝結水與蒸汽的混合物。轉變為二次蒸汽的量取決于凝結水溫度、閥門壓力降以及閥瓣的開啟高度。當閥瓣開啟高度過大時,不會產生二次蒸汽。
該疏水調節閥應根據其在管路系統中的不同作用安裝在管路適當位置。當管路系統是利用該閥使凝結水轉變成二次蒸汽時,詼閥前應安裝有蒸汽疏水閥。

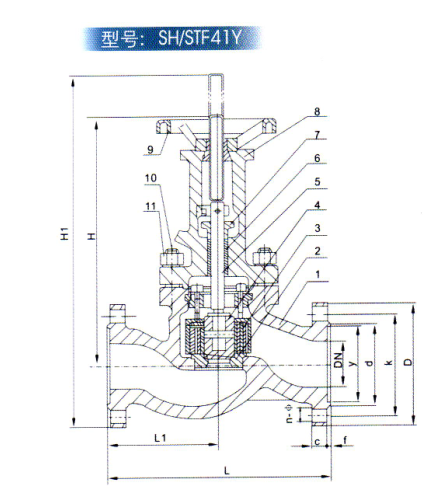
產品結構圖

疏水調節閥產品結構圖

主要零件材質表

疏水調節閥主要零件材質表

主要外形尺寸

疏水調節閥主要外形尺寸

雙金屬片式蒸汽疏水閥
雙金屬片式蒸汽疏水閥
本疏水調節閥是蒸汽供熱設備及蒸汽管路上的重要配件,也是節能產品。它可以利用多級噴嘴的節流作用,通過降壓使熱凝結水轉變為二次蒸汽,從而使凝結水得到二次利用。此外,該閥還可用于冷水排放、液面控制、最小流量控制等管線系統中。
氣動Y型平底放料閥
氣動Y型平底放料閥
放料閥有Y型及角式兩種結構形式,根據實際工況的需要,放料口的形式設計有帶管接及平底兩種,閥體內腔裝有耐沖刷、耐腐蝕的護板,在開啟閥門瞬間,可以保護閥體不被介質沖刷、腐蝕,并對其整體進行化學鍍Ni.P處理,使表面硬度達到HRC60—62,具有高耐磨、耐腐蝕的優良功能。
Y型料漿閥
Y型料漿閥
Y型料漿閥直通式結構,流阻小、不容易結疤,左右閥體分開式,兩閥體之間夾有閥座,維修時只需拆開兩閥體的螺栓就可清洗或修理,若有損壞的零件也可以及時更換,閥體內腔受沖刷較嚴重的部位裝有硬質合金的保護襯板,在開啟閥門時,可以保護閥體不被介質沖刷、腐蝕,從而大大地提高了閥門的使用壽命,密封面之間堆焊硬質合金,硬度高。
聯系航天泵閥
咨詢熱線:400-1800-803

座機:029-86033698(轉739)

郵箱:htbfwlyx@163.com

招聘郵箱:

地址:陜西省西安市高陵區涇河工業園渭陽五路799號